[PROJET] Eclairage LED
- Gautier2110
- Auteur du sujet
- Nouveau membre
-
Connexion ou Créer un compte pour participer à la conversation.
- ridley
-
- Hors Ligne
- Modérateur
-
- Messages : 2390
Connexion ou Créer un compte pour participer à la conversation.
- Gautier2110
- Auteur du sujet
- Nouveau membre
-
La seul raison d'utiliser du 1,5 est pour la "commande" en fait. Ni plus ni moins comme le courant fort ou faible dans le bâtiment
Connexion ou Créer un compte pour participer à la conversation.
- ridley
-
- Hors Ligne
- Modérateur
-
- Messages : 2390
Connexion ou Créer un compte pour participer à la conversation.
- rackam_le_rouge
-
- Hors Ligne
- Vieux de la vieille
-
- FJR 1300 AE année 2020
- Messages : 5857
Connexion ou Créer un compte pour participer à la conversation.
- Gautier2110
- Auteur du sujet
- Nouveau membre
-
Connexion ou Créer un compte pour participer à la conversation.
- Gautier2110
- Auteur du sujet
- Nouveau membre
-
Bon j'ai acheté tout le matos de câblage (relais, câble 1,5, câble 2,5) cosse, etc...sauf la gaine, introuvable dans les magasins que j'ai fait...
Pour les LED je commande très prochainement également.
Pour le montage je pense vous faire une vidéo à la go pro qui servira peut-être de tuto à certains...Rien de sur encore.
Par contre, je me disait que....qu'est ce qu'il veut encore le mino ...ça aurait été bien en parallèle d'améliorer l'éclairage de base de la belle. Eclairage de base j'entends par la les ampoules actuelles, qui sont très certainement d'origine...
J'ai lu quasi tous les sujets du forum qui parlent d'éclairage, d'ampoules, etc...Et j'en ai conclu que modifier une ampoule hallucinogène par une LED ne servait à rien ! Que la seul solution plaisante à l'usage (pour les codes uniquement) était le Xénon, mais non homologué....
Je sais pas si ça vaut le coup que je m'enquiquine à coupler du Xenon en plus de l'éclairage LED que je vais mettre...Et l'impact financier que ça peux avoir également...
De pus je me dit que avec l'appoint LED que je souhaite installer, ce sera surement déjà largement suffisant....Mais après esthétiquement, du Xénon c'est cool :V:
Connexion ou Créer un compte pour participer à la conversation.
- matusalem
- Nouveau membre
-
Mettre la prise en directe sur la batterie donne l avantage d avoir une utilisation sans mettre la clé. Quand je parts en vadrouille plusieurs jours je charge mon portable. La prise est planquée et je fais descendre mon portable ds le carénage.
Pour ce qui est du relai sur les feux diurnes, je ne crois pas que c est vraiment indispensable.
Connexion ou Créer un compte pour participer à la conversation.
- nebulus
-
- Hors Ligne
- Baroudeur officiel du site !
-
- Messages : 1060
Je rappelle qu'aux échecs, si la victoire est brillante, l'échec est mat.
Coluche
Connexion ou Créer un compte pour participer à la conversation.
- 38110
-
- Hors Ligne
- Suce la roue de tous les topics
-
- 4TX 2000
- Messages : 852
Du coup tu prends tes feux LED chez le fournisseur du 42 sur LBC ?
Pour les feux d'origine, outre le xénon, il existe des lampes H4 (et H1 et H7) en LED. Mais vu le gabarit de leur culot, je doute qu'elles passent dans le logement au cul des optiques...
Carpe Diem
Connexion ou Créer un compte pour participer à la conversation.
- Gautier2110
- Auteur du sujet
- Nouveau membre
-
Au vu de tous les avis des copains je ne vais pas mettre d'ampoule LED, pas assez rentable...
Pour repréciser à ceux qui ne veulent pas tout lire (Et je les comprends :cul: ) je veux :
- être mieux vue de jour (éclairage additionnel LED 2x10W type diurne. Couplé au feu de croisement)
- mieux voir la nuit quand y'a personne (éclairage additionnel LED 1x36W type bandeau couplé au plein phare)
- mieux voir la nuit, plutôt les bas côtés...quand je croise quelqu'un (éclairage additionnel LED, les mêmes que le premier point qui font feu diurne)
Et du coup. En feu de croisement, en zone hors urbaine (essentiel de ma route) si le xénon est un compromis à moyenne portée en complément des 2x10W alors je prends ! Je file me renseigner !
Et les 2x10W je pense prendre ceux de l'annonce du coincoin (Pascal). Par contre son 30W n'est pas compétitif (75e pièce je crois) je me retranche donc sur un Amazon du pays du soleil levant pour une trentaine d'euros (idem visible dans les pistes ci dessus)
Connexion ou Créer un compte pour participer à la conversation.
- lamite
- Nouveau membre
-
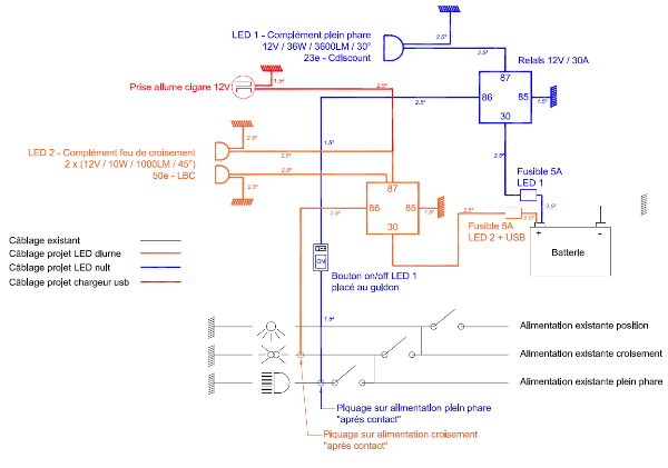
ridley écrit: en bleu jusqu'au 86 mets du 1.5, par contre ta masse led1 led2 et usb doit être du 2.5. perso je préfère une prise allume cigare à laquelle j'adapte un usb si besoin. Il faut savoir que l'usb c'est du 5.5v et que cette diminution consomme du courant. Pour led2 fait partir direct 2 fils + du 87 c'est + facile à installer
Bonsoir Ridley
Je reviens sur ce post pour ma culture personnel
pourquoi ne pas mettre du 2,5 à partir du repiquage sur les feux de croisement jusqu'a la borne 86
:
:
:
:
:
:y aurait t'il des pertes de courant ?
et peut on laisser la masse du relais (borne 85) en 1,5 ?
Ben ouais j'chuis pas doué en électricité :oops:
Connexion ou Créer un compte pour participer à la conversation.
- ridley
-
- Hors Ligne
- Modérateur
-
- Messages : 2390
on peut laisser du 2.5 jusqu'au 86 et meme au 85 mais ça sert à rien puisque c'est juste la commande du relais, par contre la 30 et la 87 alimentent le relais donc gros fil (pour éviter une surchauffe et pour apporter un max de jus avec peu de pertes)
Connexion ou Créer un compte pour participer à la conversation.
- lamite
- Nouveau membre
-
Merci Ridley maintenant tout est clair pour moi
Reste à mettre tout ça en pratique dès que j'aurai trouvé le feux qui ira
le mieux à la place du klaxon
:V:
Connexion ou Créer un compte pour participer à la conversation.
- Franck8767
- Nouveau membre
-
Juste un retour d'expérience, sur mon TDM et autre, les ampoules finissent par vieillir et éclairent de moins en moins bien.
Sur une de mes voiture à éclairage lenticulaire, je monte des xtrem vision + 80%, et là bluffant une nette amélioration.
Donc je décide de faire de même pour le TDM, et je trouve des +130 %, et là incroyable d'efficacité à tel point que, à un moment donné, je met le phare et là tiens, mon ampoule à grillée!
Après vérification, bah non, en fait je vois à peine le faisceau du phare?!!?
Et le tout dans la légalité sans bricoler avec des montages plus ou moins heureux et sans éblouir les usagés en face...
Bonnes routes à tous
Connexion ou Créer un compte pour participer à la conversation.
- domi42
-
- Hors Ligne
- Baroudeur officiel du site !
-
- Messages : 945
mais il me semble, qu'en général, elles ont une durée de vie assez courte....
tu verras bien?
Connexion ou Créer un compte pour participer à la conversation.
- Franck8767
- Nouveau membre
-
Sur ma voiture ça fait déjà deux ans, après sur le TDM je vais mettre des petites LED pour l'éclairage des bas-côtés, et en cas de défaillance ça permet de voir encore un peu la route!
Connexion ou Créer un compte pour participer à la conversation.
- Gautier2110
- Auteur du sujet
- Nouveau membre
-
Par contre je n'ai toujours pas cerné sur quel type d'ampoule je devais partir...
Tout en sachant également que une ampoule changée pour du plus puissant ou pour une autre technologie c'est bien ! Mais sans changer entièrement le bloc optique je pense que le rendu ne sera pas non plus optimale !
Connexion ou Créer un compte pour participer à la conversation.
- Franck8767
- Nouveau membre
-
Le faisceau est exactement le même avec beaucoup plus de luminosité et contraste sans éblouissement, par exemple les panneaux...
Par contre attention au xénon, un copain en avait équipé sa moto mais phare polycarbonate...
Les phares en très peu de temps sont devenus blancs (brulés!), avec un éclairage pourri pour lui et un éblouissement dangereux pour celui en face!
Je pense que c'est peut-être la raison pour laquelle les constructeurs mettent du verre dans les phares xénon et non du polycarbonate comme sur nos TDM.
Bonnes routes
Connexion ou Créer un compte pour participer à la conversation.
- nebulus
-
- Hors Ligne
- Baroudeur officiel du site !
-
- Messages : 1060
Pour l'ampoule le code du 4tx c'est du h1 donc si tu passes au xenon il te faut une ampoule xenon avec support H1 c'est plug & play elle remplace l'autre, pour ce qui est du phare tu as raison le temps d'allumage pénalise le xénon et la solution de Franck peut être une bonne alternative il faut toutefois que l'éclairage soit blanc sinon ça paraîtra sombre a coté du xénon.
Je rappelle qu'aux échecs, si la victoire est brillante, l'échec est mat.
Coluche
Connexion ou Créer un compte pour participer à la conversation.
- Franck8767
- Nouveau membre
-
Quelqu'un a déjà eu ce genre de problème ?
PS: il était en 10000 Kelvin.
Connexion ou Créer un compte pour participer à la conversation.
- Gautier2110
- Auteur du sujet
- Nouveau membre
-
Salut les petits potes !
Ça y'est j'ai tout ! Plus qu'à bricoler mes supports et je me lance !
Avec le froid du moment j'ai pas la foi de bricoler dans le garage et madame ne veut pas que je mette la bécane dans le salon (blague) mais va falloir que je m'y mette !!!
Au passage vous voyez donc les deux spots 18w pour le complément croisement et le spot 36w pour le plein phare.
A très vite !
Got
Connexion ou Créer un compte pour participer à la conversation.
- clemfarfar
-
- Hors Ligne
- Suce la roue de tous les topics
-
- Messages : 789
j'aimerais bien mettre aussi des leds sur la xtz750 mais je suis plus partant pour changer les optiques
voila ce que j'aimerais mettre a l'avant pour eclairer mieux j'ai vue que certains optique etaient homologué E2 a voir
Connexion ou Créer un compte pour participer à la conversation.
- lamite
- Nouveau membre
-
Et quel sont les côtes de ton phare bandeau ?
Connexion ou Créer un compte pour participer à la conversation.
- Gautier2110
- Auteur du sujet
- Nouveau membre
-
Pour les 2x18w je réfléchi encore si je les fixe au radia ou pourquoi pas sur les crash barre. Après je me demande si niveau vibration ce serait mieux...
A voir
Connexion ou Créer un compte pour participer à la conversation.

