- Messages : 5857
[PROJET] Eclairage LED
- rackam_le_rouge
-
- Hors Ligne
- Vieux de la vieille
-
- FJR 1300 AE année 2020
www.leboncoin.fr/equipement_moto/651889125.htm?ca=22_s
Connexion ou Créer un compte pour participer à la conversation.
- domi42
-
- Hors Ligne
- Baroudeur officiel du site !
-
- Messages : 945
rackam_le_rouge écrit: J'avais exactement ceux que veut monter Gautier mais je les avais acheté sur LBC ( un gars de la loire ou de la Haute-Loire ) et il éclairaient super bien. Demande à ceux qui étaient devant mi aux OD's !!
www.leboncoin.fr/equipement_moto/651889125.htm?ca=22_s
le gars de la Loire s'appelle Dufaut, il est de Saint-Paul en Cornillon en bord de Loire, pas loin de chez Passepoil et moi
Un peu + haut, j'ai mis le même lien que tu indiques
On est tous d'accord pour dire qu'ils nous permettent d'être très bien vus
mais peux tu détailler ton avis sur l'éclairage réel que ça apporte ou non?
Connexion ou Créer un compte pour participer à la conversation.
- Gautier2110
- Auteur du sujet
- Nouveau membre
-
38110, d'après le vendeur, les 10W sont parfaits en feu diurne, et pour le roulage de nuit selon lui l'éclairage code + 2 LEDS 10W permets d'éclairer 2 fois plus que la normale.
Oui Rackam c'est via ce lien que j'ai contacté le vendeur. Il a déjà été partagé plus haut par domi et 38
Concernant les références que l'on peut acheter sur Cdiscount, je m'abstiens...au vu des notes des usagers ça donne pas envie !
ça vaut le coup de regarder sur d'autres sites tout de même car si on veut vraiment optimiser son éclairage de nuit, les annonces LBC font les 20W pour 120e la paire...On peut trouver plus compétitif je pense
Connexion ou Créer un compte pour participer à la conversation.
- domi42
-
- Hors Ligne
- Baroudeur officiel du site !
-
- Messages : 945
quand à 2 fois mieux de nuit, le garçon est quand même un peu généreux,
je préfère dire que c'est un excellent complément aux CODES.
pour une véritable amélioration de l'éclairage de nuit, il faut passer aux LP additionnels à LED en 20 ou 30w x 2
Connexion ou Créer un compte pour participer à la conversation.
- Gautier2110
- Auteur du sujet
- Nouveau membre
-
Connexion ou Créer un compte pour participer à la conversation.
- rackam_le_rouge
-
- Hors Ligne
- Vieux de la vieille
-
- FJR 1300 AE année 2020
- Messages : 5857
domi42 écrit: le vendeur dit bien "CODE + 2 leds 10w" en utilisation DIURNE
quand à 2 fois mieux de nuit, le garçon est quand même un peu généreux,
je préfère dire que c'est un excellent complément aux CODES.
pour une véritable amélioration de l'éclairage de nuit, il faut passer aux LP additionnels à LED en 20 ou 30w x 2
+900 avec Dominique. 20/20 en feux diurnes 13/20 en feux de nuit. Je les avais installé pour une utilisation principalement diurne car je ne roule pas ou très très très peu de nuit.
Connexion ou Créer un compte pour participer à la conversation.
- Gautier2110
- Auteur du sujet
- Nouveau membre
-
ET en plus 2 x 30W pour compléter mon plein phare de nuit
La, comme ça on me fera plus chier :lol:
Connexion ou Créer un compte pour participer à la conversation.
- rackam_le_rouge
-
- Hors Ligne
- Vieux de la vieille
-
- FJR 1300 AE année 2020
- Messages : 5857
Connexion ou Créer un compte pour participer à la conversation.
- Gautier2110
- Auteur du sujet
- Nouveau membre
-
Cette vidéo est un bon exemple. C'est un phare (ou deux je sais pas ?) 35W...La différence paraît pas énorme sur la vidéo car son éclairage de base est déjà très bon visiblement...Donc sur un TDM je pense que ça peut-être génial ! Surtout qu'il avait du les payer une blinde étant donné que ça vient de ali express
Une question annexe me turlupine, c'est quoi la référence des ampoules de base sur 4TX ? :zin:
J'ai pas l'impression que l'ampoule d'origine soit modifiable pour du LED...(en attendant les spots)
Connexion ou Créer un compte pour participer à la conversation.
- Titi13
-
- Hors Ligne
- Tôlier-omniprésent !
-
- Versys 1000 SE 2020
- Messages : 3162
Connexion ou Créer un compte pour participer à la conversation.
- lamite
- Nouveau membre
-
les possibilités de fixation et une idée m'est passée par la tête pourquoi ne pas
installer un seul phare à led de 20w pour un éclairage diurne ou 35w à la place du klaxon ce qui ferais qu'il serait même directionnelle
je ne pense pas que cela gênerai pas à l'enfoncement de la fourche (diamètre de 55 mm)
pas de modification de l'esthétique du destrier
:
:
:
:
: :dry: Connexion ou Créer un compte pour participer à la conversation.
- domi42
-
- Hors Ligne
- Baroudeur officiel du site !
-
- Messages : 945
ou par création d'un support (alu) à la place du klaxon à déplacer ailleurs pour être directionnel
c'est super efficace pour avoir roulé longtemps comme ça
et esthétiquement, c'est ce qui s'intègre le mieux
soit tu montes 2 petits, pas + de 5 cm de haut
il faut les monter très serrés, car lors du braquage à fond, il ne faut pas qu'ils viennent toucher l'intérieur des carénages
et le + haut possible, pour le GB ne viennent pas les toucher lors des enfoncements de la fourche
soit tu montes un large à double fonction AB + LP
j'ai eu les 2 montages
il existe aussi des BARRES de leds, utilisés en quad ou 4 X 4
pour un seul phare LED, je mettrais plutôt un 30 W
Connexion ou Créer un compte pour participer à la conversation.
- Manu51
- Nouveau membre
-
lamite écrit: Après vous avoir relu et regardé l'annonce du bon coin, j'ai été voir mon destrier pour voir
les possibilités de fixation et une idée m'est passée par la tête pourquoi ne pas
installer un seul phare à led de 20w pour un éclairage diurne ou 35w à la place du klaxon ce qui ferais qu'il serait même directionnelle
je ne pense pas que cela gênerai pas à l'enfoncement de la fourche (diamètre de 55 mm)
pas de modification de l'esthétique du destrier:
:
:
:
: :dry:
Lamite si tu montes ça sur ta belle, plus d'excuses ! tu vas pouvoir ouvrir la route ! :lol:
Connexion ou Créer un compte pour participer à la conversation.
- Manu51
- Nouveau membre
-
rackam_le_rouge écrit: Beau schéma bien préparé, mais ne souhaites tu pas pouvoir utiliser tes projecteurs led en complément du feu de croisement pour un éclairage diurne ? Par expérience, depuis que j'avais monté mes 2x 10W led en fonctionnement continu, en plein jour, les BAR me voyaient bien et se poussaient rapidement à mon arrivée sur eux.
je dirais "me voyaient bien et m'entendaient bien aussi :dgt:
Connexion ou Créer un compte pour participer à la conversation.
- Gautier2110
- Auteur du sujet
- Nouveau membre
-
J'ai fait - comme dirait l'autre - fait évoluer ma réflexion concernant cet éclairage additionnel.
En effet, après quelques discussions, j'en ai conclu que :
- Un réel complément plein phare, éclairage de bourrin, sans personne en face, n'était pas compatible avec le mode diurne, mais que le TDM en avait grandement besoin...
- Un éclairage diurne, mais qui soit également un complément feu de croisement, la nuit était d'un grand confort également mais que pour faire du plein phare c'est limite
- On en avait pas parlé ici, mais quitte à dépoiler la bête pour passer du câble, pourquoi ne pas par la même occasion se munir d'un petit chargeur USB 12V....
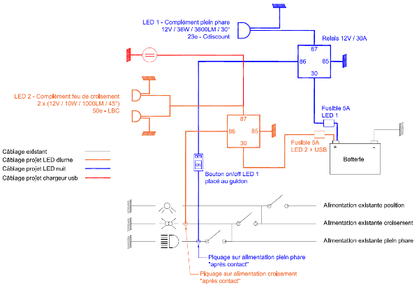
Conclusion, j'ai retravaillé mon schéma pour arriver à cela :
Plusieurs choses,
1 - Le chargeur USB :
Quoi que l'on vous dise, il ne faut surtout pas le brancher en direct sur la batterie...Je suis tête en l'air et je sais pertinemment que je ne penserais pas à débrancher ma masse tous les soirs pour éviter que la batterie se décharge en 2 jours....Je décide donc de le placer en mode "après contact" sur l'alimentation du feu de position...Si je ne dit pas de bêtise, cette alimentation reste effective même une fois le mode "feu de croisement" actionnée...
2 - Complément feu de croisement (dit feu diurne) :
Après réflexion, je ne souhaite pas avoir à actionner un bouton pour activer ces diurnes, si ce n'est le bouton de feu de croisement existant (qui reste actionné 100% du temps on est d'accord ? Je suis le seul à rouler en croisement même le jour et non pas en position ???)
Avec ce branchement, également "après contact" dès que je passerais en mode "croisement" les diurnes LED s'allumeront. Attention, je pars sur deux LED de 10W chacune avec un faisceau 45°, elles seront orientées de manière à éclairer les bas côtés et la route mais pas trop haute, pour les maintenir la nuit sans éblouir les automobilistes en face !
3 - Complément feu de route (dit plein phare) :
On reste dito le premier schéma. Actionnable via bouton on/off. Alimentation une fois le plein phare enclenché. Oui je sais ce n'est pas très utile de conserver ce bouton mais je me préserve tout de même le droit de pouvoir allumer ou éteindre à ma guide ce mode plein phare de bourrin (très utile en temps de brouillard par exemple...)...
4 - Placement sur la meule :
- Chargeur USB au guidon
- Bouton on/off complément plein phare au guidon (coté gauche ou droit je sais pas encore)
- LED 10W x 2 : Via pattes de fixations de chaque coté du radiateur (extérieur moto)
- LED 36W x 1 : Via pattes de fixation, au niveau du klaxon. Je convoite par exemple ce modèle LED 36W
Voila en gros
V sur vous
PS : Je vous mets le PDF en pièce jointe pour plus de lisibilité
Veuillez vous connecter ou vous enregistrer pour le consulter.
Connexion ou Créer un compte pour participer à la conversation.
- Gautier2110
- Auteur du sujet
- Nouveau membre
-
1 - Complément plein phare :
Spot LED 36w (31e)
Relais pré-câblé (19e)
Bonton on/off (2e)
2 - Complément feux de croisement :
LED 10W x 2 (47e)
Porte fusible + fusible 5A -> En magasin (3-4e)
3 - Chargeur étanche usb :
Usb étanche (8e)
Porte fusible + fusible 1A -> En magasin (3-4e)
Pièces diverses de fixation (15e).
En gros 130e pour se faire un éclairage digne du Paris Dakar
Connexion ou Créer un compte pour participer à la conversation.
- ridley
-
- Hors Ligne
- Modérateur
-
- Messages : 2390
N'achètes pas de solution précablée ce sera toujours trop court ou trop long, du fil de 2.5 pour tout ce qui est "puissance" et du 1.5 pour le reste, 2 relais, des cosses, de la gaine thermo et 1 interrupteur. Ne cherche pas l’étanchéité: aucun des interrupteur de moto n'est étanche et c'est pas un problème. Chez norauto par ex tu dois trouver à peu près tout ce qu'il te faut. Fait bien gaffe à protéger tout tes fils +, un court jus par frottement est vite arrivé
Connexion ou Créer un compte pour participer à la conversation.
- Gautier2110
- Auteur du sujet
- Nouveau membre
-
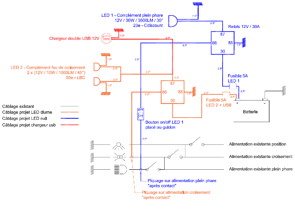
En sortie de relais j'aurais donc 2 alims ? LED diurne + chargeur USB ?
Voir ci-dessous
Veuillez vous connecter ou vous enregistrer pour le consulter.
Édit : autant pour moi j'ai compris ton message après coup. Dans la dernière configuration envoyée via ce message en effet on se repique plus sur les veilleuses (= feu de position) car en plus câble trop fin ! C'est compris !
Connexion ou Créer un compte pour participer à la conversation.
- ridley
-
- Hors Ligne
- Modérateur
-
- Messages : 2390
Connexion ou Créer un compte pour participer à la conversation.
- Manu51
- Nouveau membre
-
Merci pour le fichier !
Connexion ou Créer un compte pour participer à la conversation.
- Gautier2110
- Auteur du sujet
- Nouveau membre
-
C'est la masse de la prise 12v que j'ai représenté (le rond en forme de sens interdit :x: )
Parce que si on mets pas le chargeur sur le masse, le fil noir ses à quoi ?
: Connexion ou Créer un compte pour participer à la conversation.
- ridley
-
- Hors Ligne
- Modérateur
-
- Messages : 2390
il te faut une masse oui mais sur le croquis on dirait que ça rejoint le 87Gautier2110 écrit: @Ridley
C'est la masse de la prise 12v que j'ai représenté (le rond en forme de sens interdit :x: )
Parce que si on mets pas le chargeur sur le masse, le fil noir ses à quoi ?:
Connexion ou Créer un compte pour participer à la conversation.
- domi42
-
- Hors Ligne
- Baroudeur officiel du site !
-
- Messages : 945
ce n'est pas l'écart de prix ....
www.amazon.fr/Chargeur-Guidon-voiture-Et...9phone/dp/B00JXGEG5W
www.cdiscount.com/auto/equipement-auto/l...1697.html#mpos=13|mp
ou pour guidon
www.cdiscount.com/auto/equipement-auto/l...em3214690363933.html
Connexion ou Créer un compte pour participer à la conversation.
- Gautier2110
- Auteur du sujet
- Nouveau membre
-
Connexion ou Créer un compte pour participer à la conversation.
- ridley
-
- Hors Ligne
- Modérateur
-
- Messages : 2390
Connexion ou Créer un compte pour participer à la conversation.

