remontage pots origine
- monch
- Auteur du sujet
- Nouveau membre
-
Moins
Plus d'informations
il y a 5 ans 3 semaines #111325
par monch
remontage pots origine a été créé par monch
Bonjour à tous,
possesseur d'un 3vd, l'ancien proprio avait mis un delkevic oval mais hyper bruyant.
j'ai retrouvé des échappements d'origine mais je ne sais pas trop comment dévisser la fixation pour la boîte à fumée.
il y a une tige près de la chaîne mais il semble qu'il y ait un silent bloc qui fait comme une résistance quand je veux dévisser.
cette tige ne tient rien d'autre? comme je n'ai pas de béquille d'atelier mais qu'une latérale, c'est pas facile d'accès.
si vous avez des photos n'hésitez pas.
une syncro à reprévoir à votre avis?
merci les motards
possesseur d'un 3vd, l'ancien proprio avait mis un delkevic oval mais hyper bruyant.
j'ai retrouvé des échappements d'origine mais je ne sais pas trop comment dévisser la fixation pour la boîte à fumée.
il y a une tige près de la chaîne mais il semble qu'il y ait un silent bloc qui fait comme une résistance quand je veux dévisser.
cette tige ne tient rien d'autre? comme je n'ai pas de béquille d'atelier mais qu'une latérale, c'est pas facile d'accès.
si vous avez des photos n'hésitez pas.
une syncro à reprévoir à votre avis?
merci les motards
Connexion ou Créer un compte pour participer à la conversation.
- PATOCHE
-
- Hors Ligne
- Modérateur
-
- KTM 1290 SAS
Moins
Plus d'informations
- Messages : 3921
il y a 5 ans 3 semaines #111328
par PATOCHE
Réponse de PATOCHE sur le sujet remontage pots origine
Connexion ou Créer un compte pour participer à la conversation.
- buchef
-
- Hors Ligne
- Veut la place du Kalife
-
il y a 5 ans 3 semaines #111332
par buchef
toute bonne chose a une fin, sauf .... le saucisson qui en a 2
besoin de pièces TDM ? cliques ici!
Réponse de buchef sur le sujet remontage pots origine
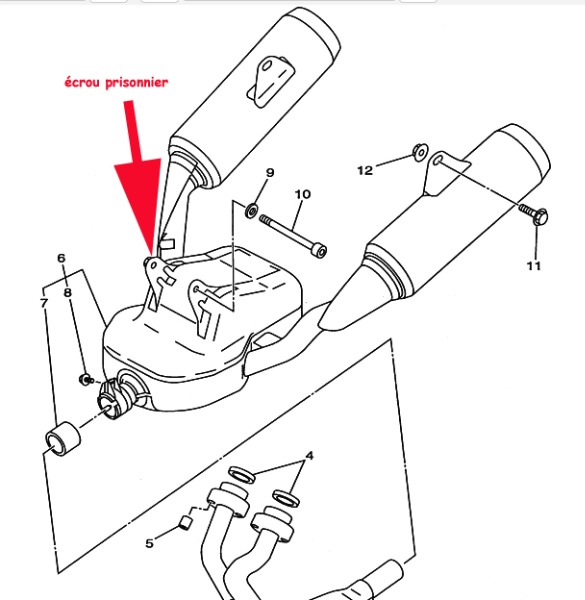
les silentblocs sont fixés sur le moteur, il y a la grande vis BTR qui vient se visser dans l'ecrou de echappement
toute bonne chose a une fin, sauf .... le saucisson qui en a 2
besoin de pièces TDM ? cliques ici!
Connexion ou Créer un compte pour participer à la conversation.

