- Messages : 246
[Résolu]Ampoule clignotant led
- samtek
-
Auteur du sujet
- Hors Ligne
- Membre elite
-
Connexion ou Créer un compte pour participer à la conversation.
- samtek
-
Auteur du sujet
- Hors Ligne
- Membre elite
-
- Messages : 246
J'ai trouvé des diodes pour 12v précablée tu crois que ça le ferai ?
Connexion ou Créer un compte pour participer à la conversation.
- Titi13
-
- Hors Ligne
- Tôlier-omniprésent !
-
- Versys 1000 SE 2020
- Messages : 3162
Connexion ou Créer un compte pour participer à la conversation.
- samtek
-
Auteur du sujet
- Hors Ligne
- Membre elite
-
- Messages : 246
Donc tu penses à quelle problème ? Pourquoi mon témoin led va pas et celle que tu me conseilles irai ?
Connexion ou Créer un compte pour participer à la conversation.
- Titi13
-
- Hors Ligne
- Tôlier-omniprésent !
-
- Versys 1000 SE 2020
- Messages : 3162
samtek écrit: Bon led commandé, je reçois ça mardi
Donc tu penses à quelle problème ? Pourquoi mon témoin led va pas et celle que tu me conseilles irai ?
Tes voyant on 9 Led
www.amazon.fr/AGLINT-Lumineuse-Utilis%C3...lation/dp/B07MXZGJJ8
Sachant que chaque Led à une tension de seuil à sec bornes VS
Exemple
Pour une Led blanc de diamètre 5mm ça tension de seuil et de VS = 3,5v et supporte un courant de 20mA = 0,020A
Donc si tu alimente cette Led en 12v et 20mA qui la traverse il te faut une résistance de:
R= (12v-3,5v) / 0,020A =425ohm.
Je ne connais la VS pour les Led cms
Imaginons que la VS= 1v ,tu a déjà 9v qui parte en tension de seuil pour ton voyant avec 9led.
Donc je pense qu il y a trop de charge pour 12v.
Avec ma Led cela confirmera peut être le faible éclairage de ton voyant.
Connexion ou Créer un compte pour participer à la conversation.
- samtek
-
Auteur du sujet
- Hors Ligne
- Membre elite
-
- Messages : 246
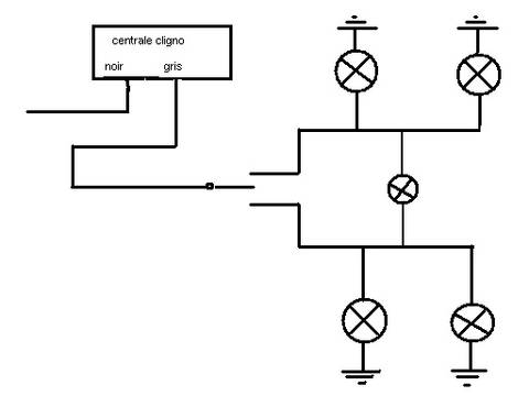
J'ai trouvé un petit schéma
Grosso merdo mon installation doit ressemblé à ça
Et faudrai que je fasse ça
Puisque mon temoin ne fonctionne que pour un côté si je veux la faire fonctionner sur l'autre côté faut que je retourne l'ampoule
Connexion ou Créer un compte pour participer à la conversation.
- Titi13
-
- Hors Ligne
- Tôlier-omniprésent !
-
- Versys 1000 SE 2020
- Messages : 3162
Avec simplement une Led + résistance
Aucune diode et cela fonctionne très bien.
Connexion ou Créer un compte pour participer à la conversation.
- samtek
-
Auteur du sujet
- Hors Ligne
- Membre elite
-
- Messages : 246
Je ne sais pas si sur le 900 c'est le même câblage mais quand je regarde pour le mien je vois que le témoin est alimenter soit d'un côté soit de l'autre, avec vue qu'une led est polarisée... je ne suis pas expert, peut être ce sera plus clair pour toi
zupimages.net/viewer.php?id=20/07/tiz7.jpg
Connexion ou Créer un compte pour participer à la conversation.
- Bruno
- Nouveau membre
-
Ton voyant d'origine n'est pas en série avec les droit et gauche.
Il prends les 2 + (droit ou gauche) et il es relié à la masse.
Sur ton schéma si tu mets le cligno à droite, un retour se fait par le voyant par les clignos de gauche et inversement.
La diode, on en reviens à ce que je disais.
Mais pour le deuxième schéma = OK comme titi
Connexion ou Créer un compte pour participer à la conversation.
- samtek
-
Auteur du sujet
- Hors Ligne
- Membre elite
-
- Messages : 246
Bruno écrit: Le schéma 1 (parait-il cablage d'origine ) est faux.
Ton voyant d'origine n'est pas en série avec les droit et gauche.
Il prends les 2 + (droit ou gauche) et il es relié à la masse.
Sur ton schéma si tu mets le cligno à droite, un retour se fait par le voyant par les clignos de gauche et inversement.
La diode, on en reviens à ce que je disais.
Mais pour le deuxième schéma = OK comme titi
À pas tout compris, ce que tu m'explique désolé, je reçois ma petite led demain je vous ferai un retour pour confirmer ou non ce problème de polarité que je pense avoir
Merci les gars
Connexion ou Créer un compte pour participer à la conversation.
- Titi13
-
- Hors Ligne
- Tôlier-omniprésent !
-
- Versys 1000 SE 2020
- Messages : 3162
Combien as tu de voyant indicateur de direction sur ton TDB?
Connexion ou Créer un compte pour participer à la conversation.
- samtek
-
Auteur du sujet
- Hors Ligne
- Membre elite
-
- Messages : 246
J'en est qu'un, c'est bien ça mon souci de polarité.... je croit...en plus que ma led demande trop de charge, 2 problèmes mais un qui devrait être résolu avec la Led que tu m'a conseilléTiti13 écrit: Pour mon info
Combien as tu de voyant indicateur de direction sur ton TDB?
Connexion ou Créer un compte pour participer à la conversation.
- Titi13
-
- Hors Ligne
- Tôlier-omniprésent !
-
- Versys 1000 SE 2020
- Messages : 3162
www.zupimages.net/viewer.php?id=20/07/tiz7.jpg
et que ton 850 et cablé comme cela
Effectivement ton voyant est raccordé au + Cligno D et + cligno G et il récupère le - a traver tes clignos.
Cela fonctionne avec cligno d'origine.
Avec cligno led cela ne marchera jamais
Vérifi si tu a bien 2 + qui arrive a la douille de ton voyant tdb en faisant fonctionner les clignos.
Si c'est bien le cas
il faudra pour que la led que tu va recevoir fonctionne pour les 2 sens de direction ,il faudra connecter sur ton tdb le + de la led sur les 2 contact de ta douille
et trouver un - sur ton tdb pour connecter le - de la led. Par exemple le - de ton voyant plein phare repère 22 sur le jpg
Car avec tes cligno les le - ne remontera plus a ton voyant.
Avant de mettre en place cette led
Vérifi si tu a un metrix(multimetre) ou une ampoule a filament si tu a bien les 2 + qui arrive a ton tdb en actionnant tes clignos
Pour se faire
Si c'est avec le Metrix
tu met le - de celui sur la masse de la moto
et le + un coup d'un côté de la douille un coup de l'autre ; bien sur en faisant fonctionner tes cligno un coup a D et un coup a G
Si c'est avec l'ampoule témoin tu fais pareil
Connexion ou Créer un compte pour participer à la conversation.
- samtek
-
Auteur du sujet
- Hors Ligne
- Membre elite
-
- Messages : 246
Je comptais exactement tester de cette manière si j'ai bien 2 + qui arrive à la douille
Si c'est le cas je modifie comme tu m'a expliqué
Connexion ou Créer un compte pour participer à la conversation.
- samtek
-
Auteur du sujet
- Hors Ligne
- Membre elite
-
- Messages : 246
Donc je suis bon pour faire ma petite modif
La question maintenant c'est de savoir si faut que je mette une paire de diode (1n4007?) sur mes fils pour éviter que le courant remonte dans les autres clignotants, c'est ce qui se produit avec une ampoule témoin à filament les 4 clignotant sont alimenter
Connexion ou Créer un compte pour participer à la conversation.
- Titi13
-
- Hors Ligne
- Tôlier-omniprésent !
-
- Versys 1000 SE 2020
- Messages : 3162
Connexion ou Créer un compte pour participer à la conversation.
- samtek
-
Auteur du sujet
- Hors Ligne
- Membre elite
-
- Messages : 246
des diodes 1n4007 ça le fait ? A la louche il y a combien dampere dans le circuit ?
:d:
Merci gr/
Connexion ou Créer un compte pour participer à la conversation.
- Titi13
-
- Hors Ligne
- Tôlier-omniprésent !
-
- Versys 1000 SE 2020
- Messages : 3162
Connexion ou Créer un compte pour participer à la conversation.
- samtek
-
Auteur du sujet
- Hors Ligne
- Membre elite
-
- Messages : 246
Je te demande l'amperage pour choisir mes diode je comptais prendre des 1n4007 mais je ne sais pas si elle sont adapté pour l'amperage du circuit
Je connais la formule I=U/R mais je connais pas la résistance des Led... Ni leur puissance d'ailleurs...
Connexion ou Créer un compte pour participer à la conversation.
- Titi13
-
- Hors Ligne
- Tôlier-omniprésent !
-
- Versys 1000 SE 2020
- Messages : 3162
Si tu prends 5watt /12v cela fait I= 0,4A
Connexion ou Créer un compte pour participer à la conversation.
- Titi13
-
- Hors Ligne
- Tôlier-omniprésent !
-
- Versys 1000 SE 2020
- Messages : 3162
Repère 44 sur ton schéma
Connexion ou Créer un compte pour participer à la conversation.
- samtek
-
Auteur du sujet
- Hors Ligne
- Membre elite
-
- Messages : 246
15A m'sieuTiti13 écrit: Il a quelle valeur le fusible du système de signalisation?
Repère 44 sur ton schéma
Connexion ou Créer un compte pour participer à la conversation.
- samtek
-
Auteur du sujet
- Hors Ligne
- Membre elite
-
- Messages : 246
Donc maintenant je peut mettre soit une ampoule leds à culot t10 soit une ampoule à filament w5w pour le voyant témoin
Voilà la modif que j'ai fait
Les diodes utiliser sont des 1n4007
C'est pas compliqué à réalisé
Voilà ça peut servir à certain
Merci encore les keum
Connexion ou Créer un compte pour participer à la conversation.
- Titi13
-
- Hors Ligne
- Tôlier-omniprésent !
-
- Versys 1000 SE 2020
- Messages : 3162
Connexion ou Créer un compte pour participer à la conversation.
- axilum
-
- Hors Ligne
- Modérateur
-
- 1200 RT
- Messages : 3975
samtek écrit: Merci encore les keums
Merci à Titi surtout.
Connexion ou Créer un compte pour participer à la conversation.

